0 руб
Оформить заказ- Артикул: ---
- Наличие: 27 шт в наличии

Фреза твердосплавная концевая диаметр D12мм, диаметр хвостовика d12мм, длина рабочей части H45мм, общая длинна L100мм. Геометрия B.


Таблица обрабатываемого материала
Обрабатываемый материал | |||||||||||
Углеродистая сталь | Легированная сталь | Закаленная и опущенная сталь | Закаленная сталь | Нержавеющая сталь | Чугун | Медный сплав | Алюминиевый сплав | Титановый сплав | Жаропрочный сплав | ||
40HRС | 50HRC | 55HRC | 68HRC | ||||||||
| • | • | • | • | • | |||||||
• Хорошо подходит • Подходит | |||||||||||
Таблица режимов резания
Фреза твердосплавная
SM-4F | SM-4FL
Материал для обработки | Чугун, чугун с шаровидным графитом | Углеродистая сталь Легированная сталь ~750N/mm2 | Углеродистая сталь Легированная сталь -30HRC | Закаленная сталь, Закаленная и опущенная сталь 40HRC | Нержавеющая сталь | Закаленная сталь, Закаленная и опущенная сталь 50HRC | ||||||
Диаметр (мм) | Скорость вращения (min-1) | Подача (mm/min) | Скорость вращения (min-1) | Подача (mm/min) | Скорость вращения (min-1) | Подача (mm/min) | Скорость вращения (min-1) | Подача (mm/min) | Скорость вращения (min-1) | Подача (mm/min) | Скорость вращения (min-1) | Подача (mm/min) |
| 1 | 20000 | 250 | 20000 | 250 | 20000 | 200 | 20000 | 200 | 20000 | 90 | 20000 | 150 |
| 2 | 15000 | 400 | 15000 | 400 | 15000 | 360 | 15000 | 350 | 11150 | 100 | 13000 | 225 |
| 3 | 14000 | 680 | 14000 | 680 | 13000 | 630 | 10600 | 525 | 7500 | 120 | 8500 | 410 |
| 4 | 10800 | 700 | 10800 | 700 | 10000 | 640 | 8000 | 535 | 5500 | 125 | 6500 | 420 |
| 5 | 8200 | 730 | 8200 | 730 | 7600 | 670 | 6400 | 560 | 4500 | 125 | 5000 | 440 |
| 6 | 7000 | 750 | 7000 | 750 | 6400 | 690 | 5300 | 575 | 3700 | 135 | 4200 | 450 |
| 8 | 5200 | 740 | 5200 | 740 | 4800 | 680 | 4000 | 565 | 2800 | 135 | 3200 | 460 |
| 10 | 4200 | 730 | 4200 | 730 | 3800 | 670 | 3200 | 560 | 2200 | 135 | 2500 | 435 |
| 12 | 3500 | 730 | 3500 | 730 | 3200 | 670 | 2650 | 560 | 1850 | 135 | 2100 | 435 |
| 14 | 3000 | 680 | 3000 | 680 | 2700 | 630 | 2300 | 525 | 1600 | 125 | 1800 | 410 |
| 16 | 2600 | 680 | 2600 | 680 | 2400 | 630 | 2000 | 525 | 1400 | 120 | 1600 | 410 |
| 18 | 2300 | 670 | 2300 | 670 | 2100 | 620 | 1800 | 515 | 1250 | 105 | 1400 | 405 |
| 20 | 2050 | 670 | 2050 | 670 | 1900 | 620 | 1600 | 515 | 1100 | 105 | 1250 | 405 |
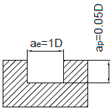
Максимальная глубина резания | ![]() | ![]() | ||||||||||
![]() | ![]() | |||||||||||
1. Приведенная выше таблица показывает стандартные значения при фрезеровании уступов. При фрезеровании пазов используйте значения скорости вращения 50%-70%, а скорости подачи 40%-60% от указанных выше в таблице.
2. Пожалуйста используйте высокоточные станки и оправки.
3. Пожалуйста, используйте обдув воздухом или СОЖ с минимальным содержанием масла.
4. Предпочтительней попутное фрезерование.
5. Вибрация и необычный шум могут возникать, если жесткость и устойчивость станка и рабочего стола невелики, следует уменьшить скорость вращения и скорость подачи, как упоминалось выше.
6. По возможности выбирайте инструмент с наименьшим вылетом.



